
直線篩產品簡介:
直線篩(直線振動篩)利用振動電機激振作為振動源,使物料在篩網上被拋起,同時向前作直線運動,物料從給料機均勻地進入篩分機的進料口,通過多層篩網產生數種規格的篩上物、篩下物、分別從各自的出口排出。具有耗能低、產量高、結構簡單、易維修、全封閉結構,無粉塵溢散,自動排料,更適合于流水線作業。直線振動篩是以我公司專利產品----彈聯激振器為振動源的新型直線振動篩,主要應用于礦山、冶金、煤炭、火電、耐火、建材、電力、化工等行業的物料分級。
工作原理使用范圍:
振動篩工作時,兩電機同步反向旋轉使激振器產生反向激振力,迫使篩體帶動篩網做縱向運動,使其上的物料受激振力而周期性向前拋出一個射程,從而完成物料篩分作業.
直線振動篩是雙振動電機驅動。當兩臺振動電機做同步、反缶旋轉時,其偏心塊所產生的激振力在平行于電機軸線的方向相互抵消,在垂直于電機軸的方向疊為一合力,因此篩機的運動軌跡為一直線。兩電機軸相對篩面有一傾角,在激振力和物料自重力的合力作用下,物料在篩面上被拋起跳躍式向前作直線運動,從而達到對物料進行篩選和分級的目的。適用于粒度在0.074-5mm、含水量小于70%、無粘性的各種干式粉狀物料的篩分。最大給料粒度不大于10mm。
DZSF直線振動篩主要特點及適于行業:
篩分精度高、處理量大、結構簡單、耗能少、噪音低、篩網使用壽命長、密封性好、極少粉塵溢散、維修方便、可用于流水線生產中的自動化作業。
廣泛應用于化工、食品、塑料、醫藥、冶金、玻璃、建材、糧食、化肥、磨料、陶瓷等行業中干式粉狀或顆粒狀物料的篩分。
使用范圍
對粉狀、顆粒狀物料的篩選和分級,廣泛應用于煤炭、水電、礦山、建材、化工、塑料、磨料、醫藥、糧食、炭素、化肥等行業。
技術特點和優勢:
技術特點和優勢
篩體側板采用優質鋼板組合而成,側板與橫梁。
篩機結構簡單,維修方便快捷。
篩網結構多樣,有棒條篩板,聚氨酯方孔和聚氨酯編織,錳鋼絲編織。
按層數可以設計為三層、雙層或單層。
激振器采用座式激振器或側振法蘭式激振器,激振器的潤滑采用脂潤滑或稀油潤滑。
激振器底座采用高強螺栓連接,結構合理,堅固耐用。
整機具有處理量大、噪音低、篩網更換方便、維護簡單等特點。
電機不參振,能有效的延長電機的使用壽命。
該產品采用橡膠彈簧支撐并隔振。
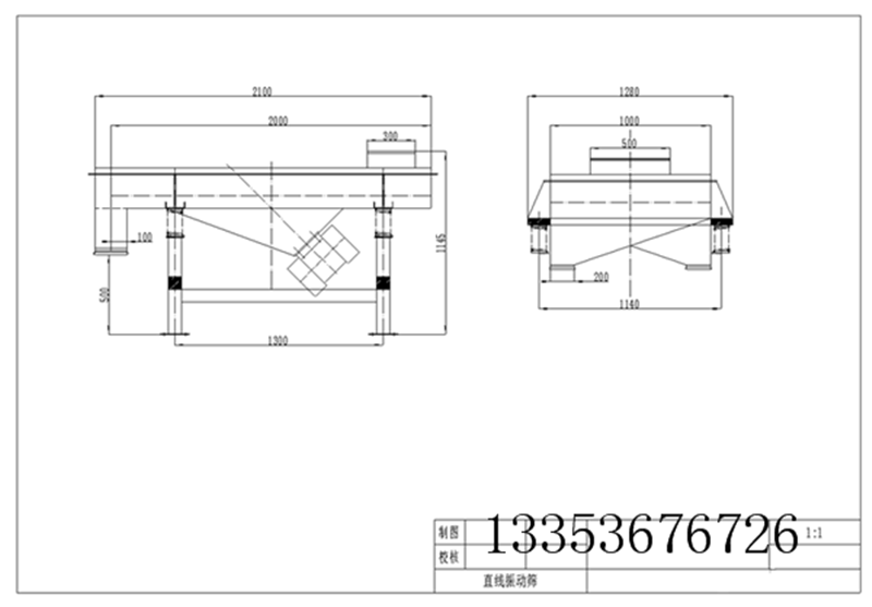
直線篩結構圖:
DZSF直線篩參數表:

使用說明書特點
1、獨特之篩網結構設計,方便和快速更換篩網,此外此種設計允許使用各種篩網 。4、其母網完全支撐細網,因此細網可獨得較長之壽命,而降低細網耗材使用,淤長時間 之生產過程可降低諸多成本。
河南奧創機械設備結構圖紙、價格計算,歡迎實地考察!
訂購網址請登錄河南奧創機械有限公司官方網站:www.royalgrace.cn 24小時服務熱線:13353676726